Schemi vari
1 5klukz

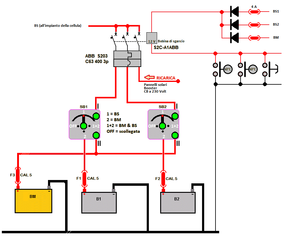
2 doppiaBS

3 doppiaBSlontana

4 fotovoltaico-parallelo1

5 fotovoltaico-serie-parallelo-2

6 fotovoltaico-serie-parallelo

7 fotovoltaico-serie1

8 fotovoltaico1

9 funzionamento_frigorifero_trivalente

10 Fusibili

11 inverter2bs1

12 invertergeneratore

13 IUoU

14 portafiltrogasolio

15 Power - Batterie

16 ps

17 relecamper

18 relegeneratore

19 rr1

20 rr2

21 sp2

22 TemperPressione

23 ventolefrigo
